|

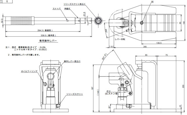
EAGLE G-25L型爪式千斤頂:
1、EAGLE G-25L型爪式千斤頂屬于日本鷹牌EAGLE JACK品牌GL系列長趾型爪式千斤頂;
2、EAGLE G-25L型爪式千斤頂油缸活塞部分采用耐磨損、防銹的高強度鉻,電鍍加工工藝,防止生銹和變形;
3、EAGLE G-25L型爪式千斤頂帶安全閥、旋轉壓桿,非常適用于設備頂升、防災救援工具;
4、EAGLE G-25L型爪式千斤頂的趾部承載是頂部1/2。
EAGLE G-25L型爪式千斤頂規格參數:

|
型號
|
載荷(Ton)
|
爪高mm
|
頭高mm
|
行程mm
|
底座寬度mm
|
底座長度mm
|
爪部寬度mm
|
爪部長度mm
|
自重kg
|
|
頭部
|
爪部
|
|
G-25L
|
2.5
|
1
|
12
|
203
|
100
|
140
|
245
|
65
|
75
|
10
|
注:G-40L、G-60L、G-100L可橫向使用
EAGLE G-25L型爪式千斤頂,還有可用于無塵室爪式千斤頂——G-25LC長趾型爪式千斤頂
保質承諾
日本鷹牌(EAGLE JACK)G-25L型爪式千斤頂屬于日本進口產品,保質12個月,凡客戶從我公司定購此品牌產品如收到貨物時發現有假貨仿貨均以100倍金額賠償。 |